Купил тест кварцев - собрал не заработал

Всем привет. Заказал на o**e тестер кварцев. Собрал - подал +9V с кроны - не заработал. Проверил все по схеме - не работает. Нет

прошивки???

Крона очень “слабая” батарейка. Попробуйте другой источник питания

1 лайк

Да подал +5V постоянки - толку 0

Ну значить собрал неправильно.
Ссылка на товар и схему есть?

https://www.ozon.ru/product/sdelay-sam-tsifrovoy-svetodiodnyy-chastotomer-1-gts-50-mgts-kvartsevyy-generator-izmeritel-2622908877/?at=LZtl982Epf2pr4qnTwXYZwkHyRmgvvuBjLg6DUr3MxE7

Схемы в комплекте нет, пакет zip - но маркировки понятны

Транзисторы разные, правильно установили?

Вернее там два транзистора и один дс дс.

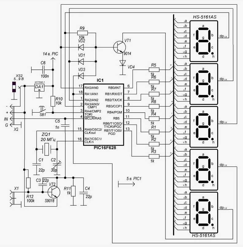
Вот схема

Да какой dc-dc? Линейный там 78L05…

=================================

Я такой “Частотомер / Тестер кварцев” собирал и работал он с первого включения, причем тоже запитывался от Кроны.
Но мне функционала китайской прошивки не хватало, а зная что китайские подобные поделки берутся из свободно-распространяемых проектов - я нашел такой проект (и в нём была прошивка). :slight_smile:

Прошивку для него можешь скачать у меня с яндекс.диска:

================================

Если интересно “в дебри глубже”, то вот тот проект:

3 лайка

Да уж. Схемотехника не айс.

Согласен, но как «проверка кварцев» работает. Правда кварцы от 1-4МГц где-то измеряет и выше. Ниже не возбуждается генератор.
Ну а частоту лучше измерять с предварительным усилителем и (в идеале) формирователем прямоугольного сигнала (хотя и без него работает).

Я бы кнопку (кнопки) повесил на индикатор, а тогда можно любые индикаторы - ОА/ОК.

Помойму на схеме ошибка. 3-й и 4-й пины МК должны быть поменяны местами?

1 лайк

Да там и коллектор транзистора ни к чему не подключен.))
Говорю о схеме из #7.

В конце статьи есть архив с исходником и .hex-файлами. Они там и под ОА и под ОК, поэтому именно counter2.hex подходит под набор из Китая.

Схема из интернета.

Там и в подключении питания есть разница с той платой что купил ТС.

Было дело. Лет 10 назад.)

=))) как ни странно, пришел еще один такой же набор - и все так же не работает. Мы можем arduino прошить МК pic???

При наличии старого компьютера с СОМ -портом, PIC-и можно прошить с помощью самодельного программатора из нескольких деталек и программы PonyProg(или подобной)

Можем. Не так всё просто. http://rweather.github.io/ardpicprog/index.html
Лучше купить готовый.

Купи нормальный программатор, еще пригодится (и стОит как твой набор почти - 800+ рублей):

https://www.ozon.ru/product/programmator-pickit3-pic-icd2-pic-kit-2-3-programmnyy-adapter-2307110530/