Некоторые мысли о ЛБП

А что там за шунт на измерение тока не смотрел? Может его тоже можно шунтировать. Понятно, что показания так и останутся на 2А, но может тебя устроит кратность 3-5 раз.

В нормальных лабораторниках напряжение и ток защиты сейчас устанавливаются до нажатия кнопки вкл. выход. Для китайцев особенно актуально из-за хренового регулятора напряжения, чуть тронул - все улетело.
На моем стареньком Статроне, которому уже почти 40 лет, стоит многооборотник.

Не заметил такого на своем ЛБП. Два энкодера - один на ток, другой на напряжение. Но да, устанавливать удобно до включение “нагрузки” (отдельная кнопка).

Шунт 0.1 Ома 5 Вт стоит по минусу. Схема выше не соответствует моему БП. Каждый производитель шлепает эти БП на свой вкус.
Я тоже думал ток в два раза увеличить, но это колхоз. Теперь придумал в 10 раз увеличить, чтоб показания на индикаторе соответствовали реальному току.
Один диапазон как есть 0.00 - 2.00 А, а второй 00.0 - 20.0 А. Шунт можно оставить. При 5 А на нем упадет 0.5 В и мощность 2.5 Вт. Нужно уменьшить в 10 раз усиление каскада на ОУ и перенести точку на индикаторе. Переключатель на панели есть и его контакты ни куда не подключены, его и попробую задействовать. Разрешение показометра уменьшится в 10 раз.

это скорее хорошая новость -)

не критично, имхо

1 лайк

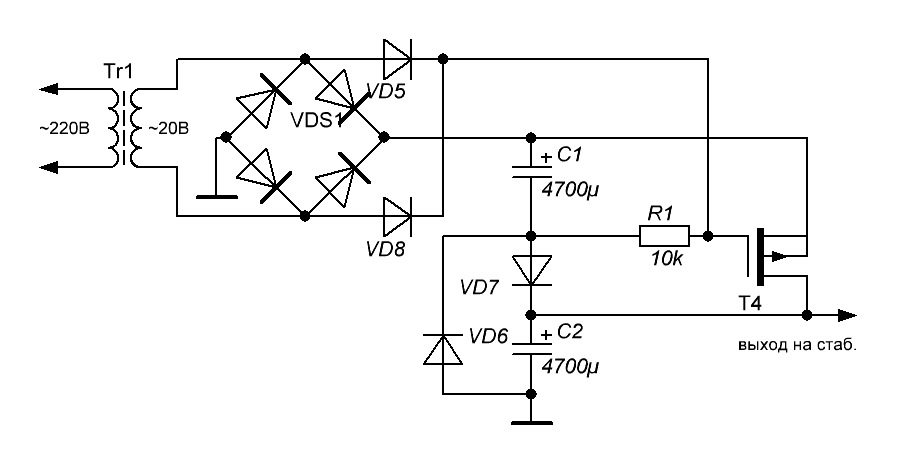
Расскажу о переделке этого БП.
Трансформатор решил оставить родной. У него две вторички - силовая 24 В и вспомогательная 10 В. Силовая более 1 А долговременно не может выдавать, поэтому применил “хитрую” схему выпрямитель-фильтр, в которой при заряде конденсаторы включены последовательно, а при разряде на нагрузку-параллельно. При этом получаем ток в нагрузке в два раза выше, чем ток через вторичную обмотку трансформатора и диодный мост. Напряжение на выходе уменьшается вдвое.
Под нагрузкой в 1 А в родной схеме напряжение составляло порядка 20 В на конденсаторе фильтра, и при малом выходном стабилизированном напряжении выделялось много тепла на силовом транзисторе. С новой схемой напряжение на фильтре при выходном токе 2 А порядка 10 В, и соответственно значительно уменьшилась рассеиваемая мощность на стабилизаторе.


Мосфет в корпусе ТО220 теплый. Емкость С1 и С2 должна быть большой - 2-3 тыс. мкФ на 1 А выходного тока. При меньшей емкости мосфет греется сильнее.
VD6 и VD7 можно шоттки для снижения потерь.
Чтобы перевести схему в обычный режим (соединить С1 и С2 параллельно), нужно замкнуть С и И мосфета между собой и одновременно замкнуть анод и катод VD6 (закоротить диод).
В итоге мы получаем с выпрямителя либо 20 В и регулируем выходное напряжение БП 0-16 В при токе до 1 А, либо 10 В и регулируем выходное напряжение 0-8 В при токе до 2 А.
Также переделал схему стабилизатора, но об этом в другой раз.

2 лайка

Мосфет: По схеме «вверху» - исток, «снизу» - сток, слева - затвор. P-канал.
Это верно?

Да. Параметры под свои задачи. Можно и n канальный, только и схему соответственно переделать.

1 лайк

А какой использовался в данной схеме?

Изначально была схема из Интернета. С и И перепутаны местами!


После диодного моста подразумевается конденсатор в качестве фильтра. Только тогда схема не будет работать. Перед конденсатором должен стоять диод для развязки.
Я немного переделал схему и поставил у себя N мосфет IRF3205.