Добрый день . Прошу вашей помощи разобраться с синтезатором частоты на si5351 с ретро шкалой .Устройство собрано по схеме из интернета на ESP32/
Прошивка прошла ,а выхода сигнала с синтезатора нет. Частометр фиксируе
какието всплески частоты только при вращении энкодера и проподает.
Без схемы и кода можно сказать только одно - проверяй монтаж.
а автор чо говорит, почему так?
Судя по
предположу, что транзистор Q2 дохлый.
Беда!
Ну, вот ТС схему опубликует поищем.
Стопудово там либо Q2, либо синий провод.
Скорее всего красный. ![]()
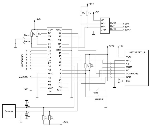
Если у ТС схема та самая, которую я выложил, то есть вероятность того, что проблема в рассогласовании уровней на SDA/SCL.
На схеме они подтянуты, как положено, к +3.3V, а в модуле SI5351 стоят преобразователи уровней с +5 на 3.3.
И там они подтянуты на +5V.
По уму, этот “согласователь” необходимо удалить .
соглОсователь… “йоне робяты с северу”, у них говорок свой
99 процентов ваш модуль si и дохлый, где вы его купили? Мне только раза с третьего четвертого удалось найти рабочий. Симптомы такие же, при попытке управления - на выходе всплески шума.
Нуууу.. Я бы так категорично не утверждал, но и отрицать не буду.
Вам просто так “повезло”..
Сам лично приобретал в разное время 4 модуля и “россыпь” собственно чипов SI5351.
Дохлых не было ни разу, ни тех ни других..
P.S. Для начала можно просто проверить визуально и “прозвонкой” мультиметром на предмет “соплей”, обрывов.
Если ничего не обнаружится, попробовать заменить кварц. Для проверки можно запаять любой из диапазона 24-27 МГц.
Ну и ещё раз повторюсь - для 3-х вольтовой ESP удалить с модуля преобразователи уровней - два транзистора и 4 резистора.
“Сишки” почему-то очень придирчивы к “качеству” сигналов SDA/SCL.
P.P.S. Кстати.. Посмотрел видео синтезатора в работе. Услышал очень знакомую “пулемётную очередь” на фоне принимаемого сигнала.
Это 100% беда софта. В своё время пришлось столкнуться с этим.
Ну а внешне выглядит очень прилично. На ностальгию пробило чуть ли не до слёз. ![]()
Прям руки зачесались на повторить.
Вы победили эту проблему или нет?
Посмотрите (хотя бы и частотомером), что у вас на линиях SDA и SCL, когда вы пытаетесь менять частоту. Там должны быть всплески кратковременные. Если их нет - то проблема в прошивке или контроллере. Если они есть, то проблема, скорее всего, в синтезаторе.
Неплохо было бы конечно, логическим анализатором посмотреть, что там на SDA/SCL и сравнить с даташытом на синтезатор.
Если данные похожи на правду, тогда попробуйте купить несколько синтезаторов, у разных продавцов, и попробуйте поменять один на другой.
Приветствую. “Пулеметная очередь” не из МК лезет - это телефон которым снимал видео “шкорки” кидает.

