во еще магазин на “все фломастеры”
Кстати, вопрос по DC-DC появился.
На какое максимальное напряжение встречали повышающий dc-dc преобразователь? Желательно, 100В или больше. Такие существуют? Ток не важен, миллиампер 100 или даже 50 вполне «за глаза и уши» будет.
Нашел, но дорого:
https://www.ozon.ru/product/povyshayushchiy-dc-dc-preobrazovatel-10-32-v-45-390v-386709499/
Входное: 10В-32В
Выходное: 45В-390В
Ток: до 1А (0.5А на постоянку)
На Али они тоже есть, но не сильно дешевле:
Дешевый модуль не подскажу, но можно взять повышайку например на XL6019 , она до 60 В и на выход поставить умножитель х2 или х3. Можно получить до 100 или до 150 В.
Спасибо за информацию. А можно по подробнее про умножитель?
Про mini560, нашел эту тему (и в частности, ответы # 14-15) и поостерёгся заказывать
Уже заказал этот https://aliexpress.ru/item/4000854198934.html
Я опять неточную инфу дал, использую mini560 pro, никаких проблем, десяток точно заюзал в разных схемах.
Сорян.
Я бы посоветовал с установкой напряжения перемычкой, не подстроечником. У меня было два прецедента, когда подстроечники плохо кортачили. Правда это было после полутора лет эксплуатации в условиях повышенной влажности.
Полезная инфа, спасибо
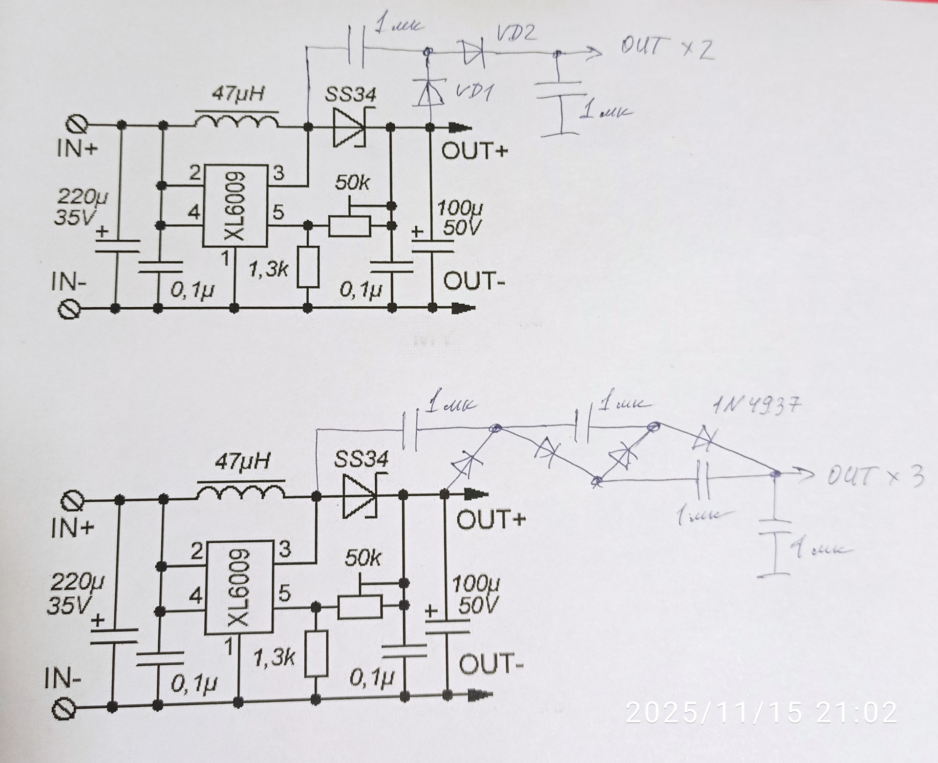
Нашел модуль на XL6009 . У него максимальное напряжение на выходе 40 В ограничено номиналом резистивного делителя. Можно поднять до 50 В, заменив резистор и шоттки. Собрал удвоитель и утроитель напряжения.
Конденсаторы пленочные 1мкФх450 В, диоды 1N4937. Это первое что под руку попалось.
Согласен. Если нужно некое стандартное напряжение, типа 3.3 или 5в, я использую только модули с фиксированным напряжением.

