Голосовой USB- ночник DUA V1, адаптация к Ардуино

Да замысел прост, набор последовательных слов “один, ноль…” задаёт числа-команды.

…с ёлкой и смартфоном в прошлом году пробовал словосочетания - команды. Практика показывает, что уже после 6 уникальных фраз они быстро теряются в памяти, самозаменяясь на похожие по смыслу. Так что таблица из 25 команд у этих производителей путь в никуда :slight_smile:

…надеюсь сопоставление числа смысловому действию будет крепче в памяти.

К примеру последовательность 1011 это число 13, 1101 это 11, формула - 1248….

Ну задает, дальше то что?
В чем замысел? (не надо говорить, что он прост - сформулируйте его)

Можно без примеров, из которых все равно ничего не понятно, а полный список? Или хотя бы точный алгоритм преобразования?

Голосовое управление цветом свечения RGB матрицы 8х8 как дежурного светильника.

А список чего? Я могу подробнее текстом описать замысел адаптации данного модуля к ардуино.

…пришёл красный модуль…и в нём нифига ни шаг 2,5 мм :slight_smile:

А сколько?

наверное 2 mm

а кто то обещал?
там на видосе видно ноги на макетке враскоряку вставлены

Припаять к гребенке с шагом 2.54мм…

давно пора заиметь

2мм.

Я ещё и подумал, почему гораздо меньше чем зелёная…оптический обман.

В общем решил шлейфом переход сделать.

2 лайка

По ходу да. Три разных продавца и три разных описания.

Это не разные описания, а модули с разным функционалом, ты када собирался покупать их, я писал об этом.

Прошивки разные получается. Я макет собрал, работает как у продавца описано.

Всё равно забавная стратегия изготовителя. Потребитель прошивку не поменяет же. Надо наверное общий вариант, универсальный что ли. А то получается в одном варианте 25 фраз англицких, не известно сколько можно перезаписать, второй вариант кажется 9 и они русские. В моём всего 4 фразы и 4 независимых выхода.

Либо один и тот же модуль с разных сторон.

:slight_smile:

Понял…не сразу.

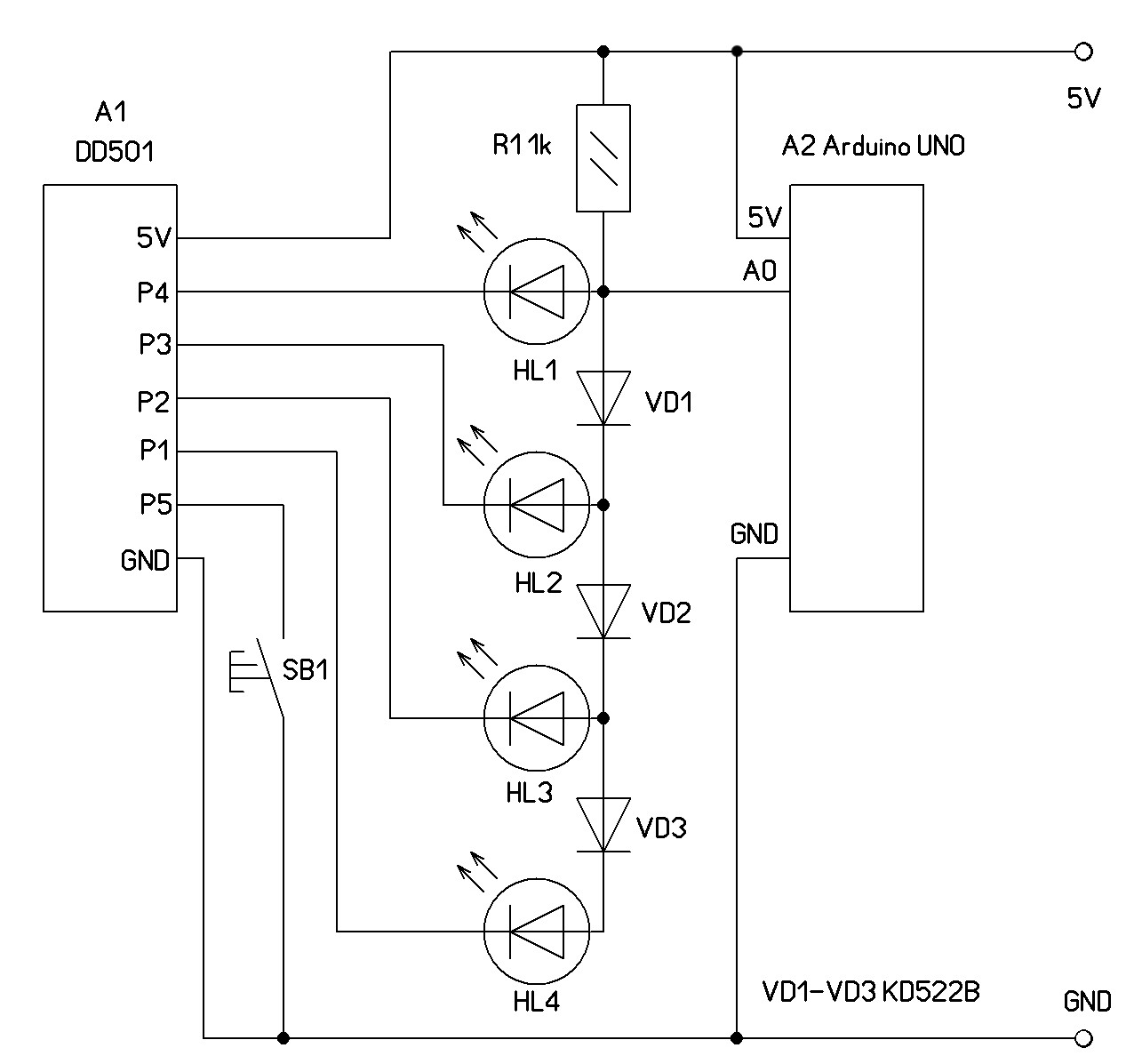
Кстати как то надо придумать схему не на 4 входа Ардуино, а всего на один. С другой стороны резисторы, диоды…может рациональней занять 4 пина МК.

Ну можешь типа PCF8475 приделать. С 4х до 2х пинов сократишь, или даже, при использовании ещё кем-то i2c, вообще до нуля.))

Подумал и решил попроще.

Светодиоды всё равно нужны для индикации при перезаписи команд.

int delta = 25; //
int porog_1 = 800; //
int porog_2 = 700; //
int porog_3 = 580; //
int porog_4 = 450; //

void setup() {
  Serial.begin(9600);
}


void loop() {

  int sensorValue = analogRead(A0);
  if (sensorValue < 1000) {
    if (abs(sensorValue - porog_1) < delta) {
      Serial.println("один");
    }
    if (abs(sensorValue - porog_2) < delta) {
      Serial.println("два");
    }
    if (abs(sensorValue - porog_3) < delta) {
      Serial.println("три");
    }
    if (abs(sensorValue - porog_4) < delta) {
      Serial.println("четыре");
    }
    delay(200);
  }
}
/////////////////

Кроме цены, он чем-то лучше этого: https://aliexpress.ru/item/695071095.html?businessType=ProductDetail&sku_id=56866571758&spreadType=socialShare&srcSns=sns_More&utm_medium=sharing

?

Кстати если у кого-то есть физическая китайская симкарта, то вот прикольный модуль, он у меня есть, но программа без китайской симки не запускается:

https://aliexpress.ru/item/1005004313506949.html?businessType=ProductDetail&sku_id=12000028717664419&spreadType=socialShare&srcSns=sns_More&utm_medium=sharing