странные у тебя измерения, а по старинке на базе и на эмиттере в режиме ON/OFF?
Так ты поменяй, на своих “супер” приборах, мы вот про пульсации обещанные все ждём и ждём, а ты только картинки неодназначные постишь.
нет, высокий логический уровень (более 0,9 вольта) не даст транзистору закрыться (0.9 + 0.5) цепь управления || (0.68 + 0.7) цепь ЭБ и это граничное состояние цепи управления
Появилось время поэкспериментировать, поэтому продолжу тему.
Повторюсь по диодам Д6 и Д7. Это ошибка разработчиков и то, что это работает в схеме таймера, не означает, что будет правильно работать в других случаях. Как правильно сформировать опорное напряжение на Э Т1 я писал выше - нужно пропустить через него ток при закрытом Т1.
Тема надежного запирания Т1 в этой схеме вообще лишняя. Чтобы реле гарантировано выключилось, достаточно снизить ток через катушку до 15-10 % от номинала - до 2-2.5 мА и пусть он остается таким на все время ВЫКЛ. Это снизит ток через стабилитрон, и он станет греться чуть меньше.
Сделать это очень просто-нужно поставить резистор 18-22 кОм параллельно КЭ Т1. Но это лишь на 15 % снизит температуру стабилитрона, но не снизит потребление тока таймером в выключеном состоянии.
В #23, 42, 43 предполагалось или утверждалось, что такая схема управления Т1 нужна для низкого значения логики (1.2 В). Это совсем не так. Эта схема будет работать при питании управляющего контроллера не ниже 0.8-0.9 В, а верхнее значение не ограничено.
Управление через Д7 нужно только для того, чтобы исключить вытекающий ток с УК. Таймер не определяет включен он в сеть или нет (есть заряд аккума или нет), а состояние ON может быть включено в ручном режиме. Если бы был вытекающий ток даже несколько мкА, то это быстрее разрядило бы аккум при отсутствии зарядки. Об этом писал _ВН #49. Сам УК потребляет 2-3 мкА по моим замерам.
Если нужно управлять транзистором еще меньшим логическим уровнем (менее 0.7 В), то транзистор нужно включать по схеме ОБ.
Чтобы совсем убрать нагрев элементов и сократить потребление таймера в режиме OFF, я подправил схему, максимально сохранив исходную. Это в следующем посте.
При включении режима OFF, Т1 закрывается, открывается Т2 и шунтирует катушку реле резистором R6. Реле выключается. Напряжение питания снижается до 3.8 В. Ток остается на уровне 15 мА. Выделяемая мощность 50 мВт, поэтому компоненты не греются.
Если оставить схему заряда аккума, то она не будет заряжать когда таймер в состоянии OFF. Поэтому вместо R5 поставил Д9 и Д10. Чтобы выровнять напряжение на этих диодах при разных уровнях напряжения (3.8 В при OFF и 35.4 В при ON), Э Т2 подключен к аноду Д10. R4 можно увеличить в 2-3 раза.
При включении режима ON, Т1 открывается и закрывает Т2. Реле еще не срабатывает (на нем всего 3 В), С2 заряжается до напряжения срабатывания реле, и далее поддерживается напряжение питания на уровне 35 В (зависит от напряжения сети). С2 здесь с запасом, можно уменьшить емкость в 2-3 раза.
Д9, Д10 кремневые, Т2 я поставил А42 (какой был). R7 бывший R5 (номинал не критичен 1-20 кОм).
Стабилитрон я не стал выпивать, но в работе схемы теперь он не участвует.
конечно реле выполняется из магнитомягкого материала, но там есть еще и пружины, так что оставлять реле под током с разомкнутым сердечником плохая идея
В продолжение темы по способу управления реле от пина МК с бестрансформаторным питанием от сети.
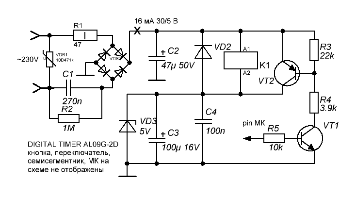
Пришел с Али таймер AL09G-2D. Первым делом нужно раскрутить и посмотреть устройство.)
Схема принципиальная AL09G-2D. МК 16 пиновый без названия. Питание 5 в. Реле выключается путем замыкания обмотки транзистором Т2. Я о таком способе выше писал и это первая схема где это встретил.
VT1 MMBT9014 (45V, 0.1 A)
VT2 MMBTA92 (300V, 0.5A)
Реле HRA-S-24DA
Семисегментник с ОК.
В момент выключения реле Т2 закорачивает плюсы С2 (заряженный до 30В) и С3 (заряженный до 5В) и вся энергия от импульса тока через ЭК приходится на кристалл Т2. Я бы поставил резистор на 47 Ом в цепь К Т2.
При таком способе управления реле шунтирующий диод Д2 не нужен. Наверное поставили по привычке.
Хороший корпус для самоделок. Есть место для ардуино промини или даже нано.
Спасибо @Pyotr, это я хорошо с этой темой зашёл – столько нового узнал! Спасибо!
И у меня появились новые знания. Так что будут какие непонятные девайсы, выкладывайте, будем вместе познавать удивительный мир электроники!





