да, подстроечный поставить а потом подобрать из двух резисторов было бы более правильным решением, по фэншую так сказать
Схемы то нет - может вообще не тот резистор “подкрутили” - в делителях на таких схемах обычно более точные резисторы ставят с буковками в маркировке …
Ага, мне так и сказали, заменить 202 на 2К0, потом подбирать “делитель установки выхода” (схему нашли, или типовая + понимают). Но просто замена R12 никак негативно не скажется.
Там 202 - SMD, махонький такой, боюся похерить БП.
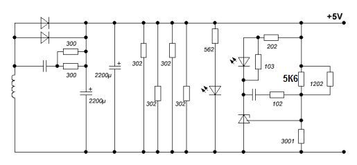
Я вижу на картинке R12 1202 …
Нет, R12 идёт после R14 (как бы по диагонали), между R14 562 и 1202, это если смотреть со стороны дорожек. R12 - обычный (не SMD) и торчит с другой стороны.
А схему к этому ИБП нашли? Можно взглянуть?
Да уж, если эта схема у вас действительно в блоке, то просто смените ваш блок питания. Купите нормальный
Может присоветуете какой, на 3-5А?!
Зачем 5А на распбери?
И в каком конструктиве БП нужен? Тут вон meanwill советуют в соседней теме - они уж точно не поплывут по напруге.
Что-то мне подсказывает - это не от него схема, не может быть чтобы на нагрузку 5А не было обратной связи… Хотя хз…
Вроде 2й светик и есть оптопара. Просто изобразили как светик.
да так и есть, в цепи TL431 стоит оптопара, просто нет высоковольтной части схемы.


