Подключение девайсов к Arduino UNO через модуль расширения

Добрый день!

Есть проблема. Необходимо подключить к UNO несколько девайсов. Например, сенсор DHT11, модуль SIM800L. Все порты самого Arduino заняты, есть модуль расширения PCF8574, подключенный к МК через IIC. Вопрос, собственно, следующий:

  1. Можно ли подключать девайсы через модуль расширения?
  2. Как тогда программировать систему, ведь при создании объекта в конструкторе указывается пин, например: DHT dht(_diDHT11, DHT11); Здесь _diDHT11 - это число, т.е. номер пина ардуино. Мой же девайс будет подключен через плату расширения. Скажем на пин PA3. Если я напишу DHT dht(3, DHT11), то 3 здесь будет восприниматься как пин №3 самого Ардуино, а не пин №3 модуля расширения…

Как вообще в таких случаях поступают… М.б. есть какая-то библиотека кросс-пинов? ))) Теоретически, конечно, можно поправить библиотеку DHT.h, но хочется более изящное решение.

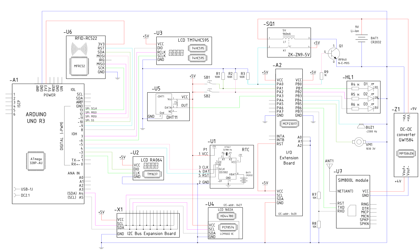
Приложил схему (интересуют устройства U5 и U7). Плата расширения на схеме другая, но это сути не меняет.

безусловно

писать код самому, никакие “библиотеки” не помогут

используют оставшиеся свободные пины РА4-РА7 (есть нюансы)

очень большое заблуждение…

1 лайк

Добрые люди берут датчики с I2C или SPI, и подключают их, например, вместо убогого DHT берут АМ2320 или АНТ10 или BMP/BME. A 8574 хорош, када надо кнопочки/светлодиодики размножить

2 лайка

Вы забыли точно указать о каких девайсах речь, а “напримерные” девайсы можно подключать, например, через что угодно.

Почитайте вот здесь. Там про другое, “но это сути не меняет”.

Выбирают МК под задачу. Если у Уно не хватает пинов, значит берите Мегу.

Я указал девайсы: “сенсор DHT11, модуль SIM800L“

На схеме они значатся как U5 и U7.

Сейчас они подключены к MCP23017, но, чтобы все заработало, их мне необходимо править библиотеки. Вот и спрашивал, как можно обойтись без этого ))

Никак

Смешно.. Желаю вам аналогичной “помощи” в сложных ситуациях.

Я нашел способ: подключил DHT и модуль RTC через аналоговые каналы. А на освободившееся место Uno подключил SIM800. Схему приложил.

А0-А5 ? Они цифровые.

Не лгите, Вы указали:

Я Вам «например» и ответил.

  1. «Каков вопрос, таков и ответ»;
  2. «Як постелешся, так і виспишся»;
  3. «As the call, so the echo»;
  4. «Как аукнется, так и откликнется».

Продолжать?

1 лайк

Так Вы ж, вроде, говорили, что:

Пошутили?

Если бы вы читали внимательно и при том весь текст целиком, то не составило бы труда соединить все предложения в одно целое. В конце была приложена схема и указаны обозначения устройств.

С вами вести диалог больше нет абсолютно никакого желания, так то не утруждайтесь. Видимо, ваш аватар говорит за себя…

Я, если вы заметили, разместил тему в разделе для новичков. И уж простите, что, будучи новичком, не знал, что порты А0-А3 могут работать как цифровые.

А4 и А5 тоже

Если бы Вы писали нормально, то этого поста и вовсе бы не было (Вы сами нашли бы ответ при попытке аккуратно сформулировать вопрос), только чего уж теперь-то …

Разумеется! Я его тщательно выбирал и он неизменно со мною уже больше десяти лет.

1 лайк

Да, но они заняты для IIC.

тогда поменьше гонора. Он мешает вам учиться.

1 лайк

Видимо, мне еще расти и расти… Учту на будущее и впредь постараюсь быть более аккуратен! Спасибо за науку.

Посмотрите вот эту ветку, для вас многое станет понятно.