Это раньше 5-6 класс для подобного был подходящим, сейчас то «самородки» еще до школы должны начинать. Тик-токи же они освоили.
Как и ФЛПРОГ, эти штуки напоминают приставные колеса для велосипеда. Если без них вы падаете - они полезны, но когда вы научитесь сами - они мешают.
Вот к примеру:
https://www.youtube.com/watch?v=GUeSOB92Nxk
Тихая, спокойная подача материала.
Если хочется взрослого и альтернативного Гайверу то тогда Осипов Дмитрий.
https://www.youtube.com/watch?v=J6LByfc-QVs
Лилик, это п#здец какой-то… )))
да Осипов такой чувак прикольный. Так интересно разговаривает
Доверие у меня к нему :), но пропал он куда то. Реклама вина и сыра - огонь ! Гайвер отдыхает.
реклама
6 лет назад!!!
Так и вы начинайте бухать. Нафиг вам это программирование. Тут некоторые программисты на синьку плотно переезжают, а вы можете сразу путь сократить
Жил один, бухал. А ты?
Не, мне голоса в голове не разрешают. Этилен их угнетает
Даже на новый год?
Знаете.Я только что заметил что этот пост превратился в чат курилку! ![]()
Вот именно! Давно бы уже сформулировал задачу.
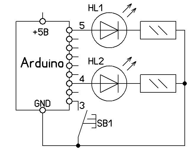
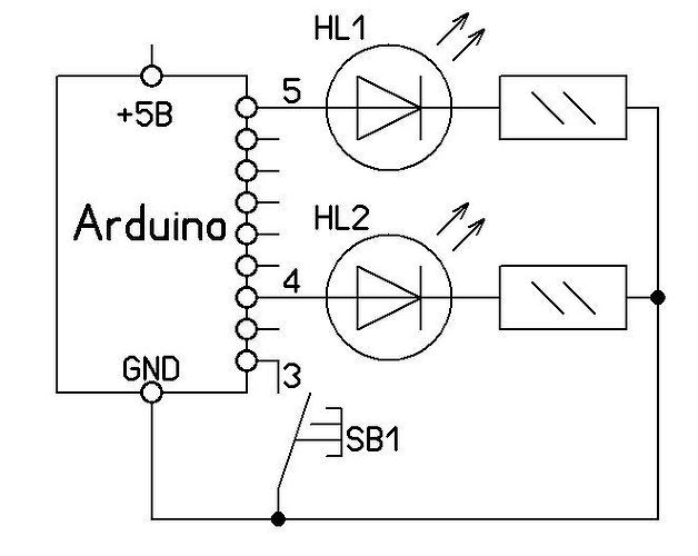
По схеме требуется отскетчевать:
короткими нажатиями переключать первый светодиод, длинными - второй.
да именно так
я работаю над этим. читаю гивера.
Внимательность - ваше второе имя! Второй день тема в ЧЧ ![]()
да вы меня отвлекаете все от изучения ![]()
Через пару дней вот выложу скетч. И тогда посмотрите
Звучит как угроза

