а на картинке clock config красного нет? там частоты шин в норме?
Вот жешь ересь какая-то ))) По умолчанию стоит прескаллер = 2, поставил 4 - всё “по зеленело”. Причем назад 2 поставить уже не даёт )))
Причем у SPI2 прескаллер = 2 ))
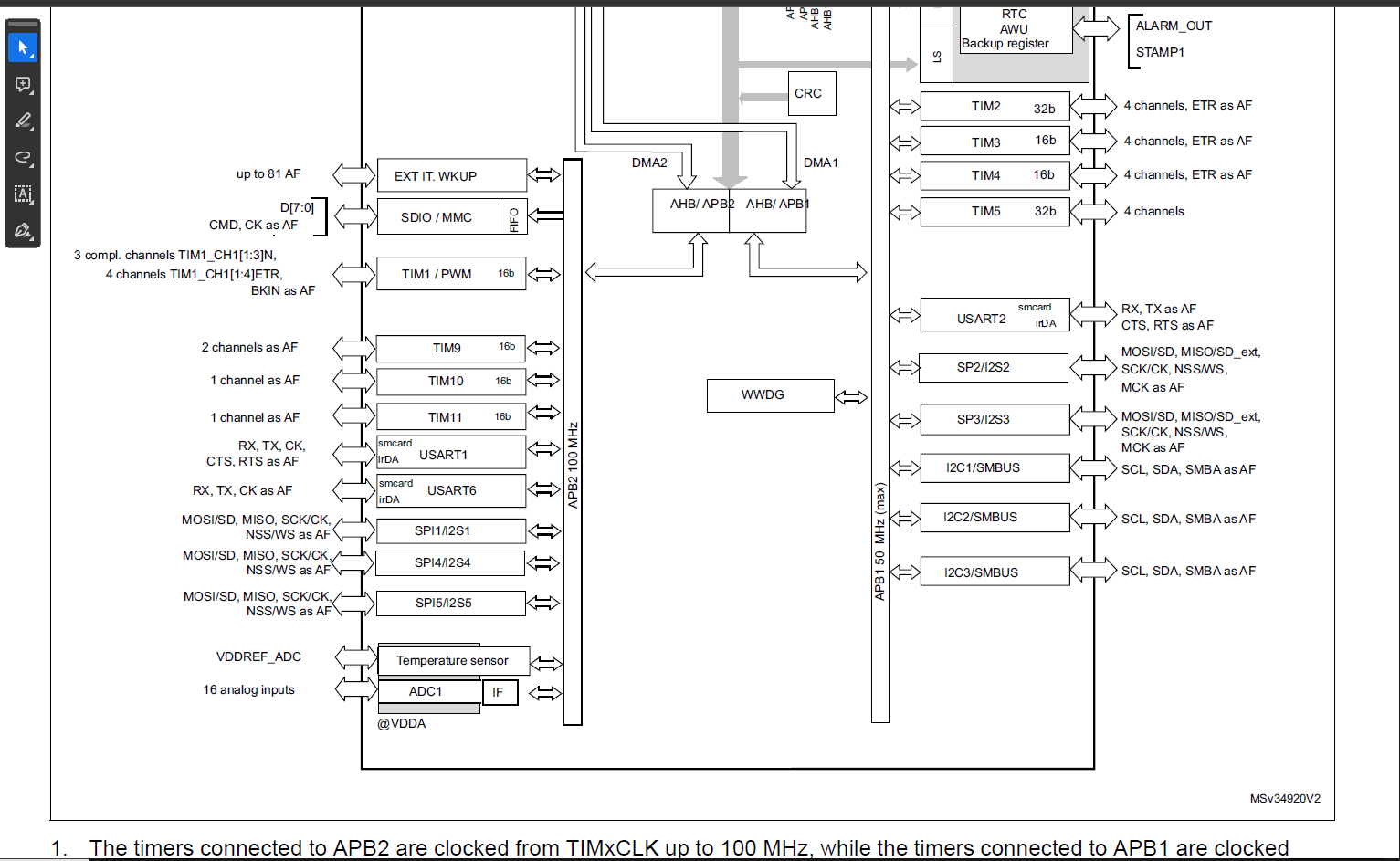
Потому что СПИ1 и СПИ2 тактируются от разных шин и предельная частота у них отличается в 2 раза
этот же ответ и @andycat - попробуйте шину SPI2, на ней, если правильно помню, частота вдвое выше
не, у 411 насколько я понял именно SPI 1 тактируется от APB2 - 100 мгц
пойду еще раз читать
какая то непонятная страннось, вывел в лог регистры, все пересчитал, все норм, но нет нужной скорости. Буду искать осциллограф + лог анализатор.
Start! CLK = 99999984
RCC->CR 0x3037c83
RCC->CFGR 0x100a
RCC->PLLCFGR 0x2440180c
loop begin
А это кому ответ был?
указание где ошибку искать
короче зря я грешил на свои руки и на контроллер ![]()
все там нормально со скоростью SPI, судя по всему само выполнение кода тормозит отправку данных
убрал строку в процедуре заливки данных
while (!(SPI1->SR & SPI_SR_TXE));
скорость поднялась до 38.993 МГц
P.S. Сейчас смотрю свои старые проекты, я всегда для дисплеев DMA использовал, поэтому никогда на такие грабли не попадал.
на платах с высокоскоростным SPI два пина задействуют, под квитирование аднака
че?
просьба перевести на русский.
нет.
в моем случае чем должен помоч лишний пин квитирования?
ну может быть он и есть, может его даже можно использовать, только зачем? если и так все работает. И да, вопрос есть ли он на интерфейсе дисплея…
я так далеко не вникал, но по логике, пока там не появится разрешающий сигнал нечего гнать информацию в устройство, к примеру ну кинул ты ему пакет, а он его принял?
Что-то мне кажется, что там 30% пакетов бьются, синхранизация нужна аднака
неправильно вам кажется, если там были потери данных, я б на дисплее артефакты получал.
ну значит код не успевает с такой частотой гнать
кстати, сопли по SPI для таких частот уже не АЙС
может вам всю настройку RCC выложить?
будет полезно, примеры для разных девайсов, наскоком настроить точное значение для USB в 48 мегагерц для H503 у меня лично не ополучилось




