Вайфай повторитель и направленная антенна

Доброго времени суток уважаемые коллеги.

Возникла необходимость удлинить канал wifi, для чего был приобретен повторитель. Я понимаю, что он в том виде как есть не дотянется. Поэтому хочу пошаманить с патч антеннами коих в инете много.

Вскрытие повторителя меня несколько удивило. Антенн четыре. Две подключены серыми коаксиалами с явно рапаянными жилами и оплетками. Еще две припаяны просто к общей заливке платы черными тоже коаксиалами, но «в один конец». Вот и не пойму это задумка такая, или прикрытые понты?

Почему прикрытые ? В вайфай камере которуъ я открывал антенка просто есть и провод от нее болтается внутри корпуса . А тут припаян.

Ну так это правильно.

Второе это типа «противовес».

Но в УКВ (СВЧ) это скорее всего «директор» или как там их называют? Я на высоких частотах не сильно…

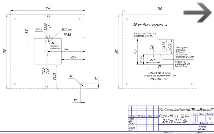
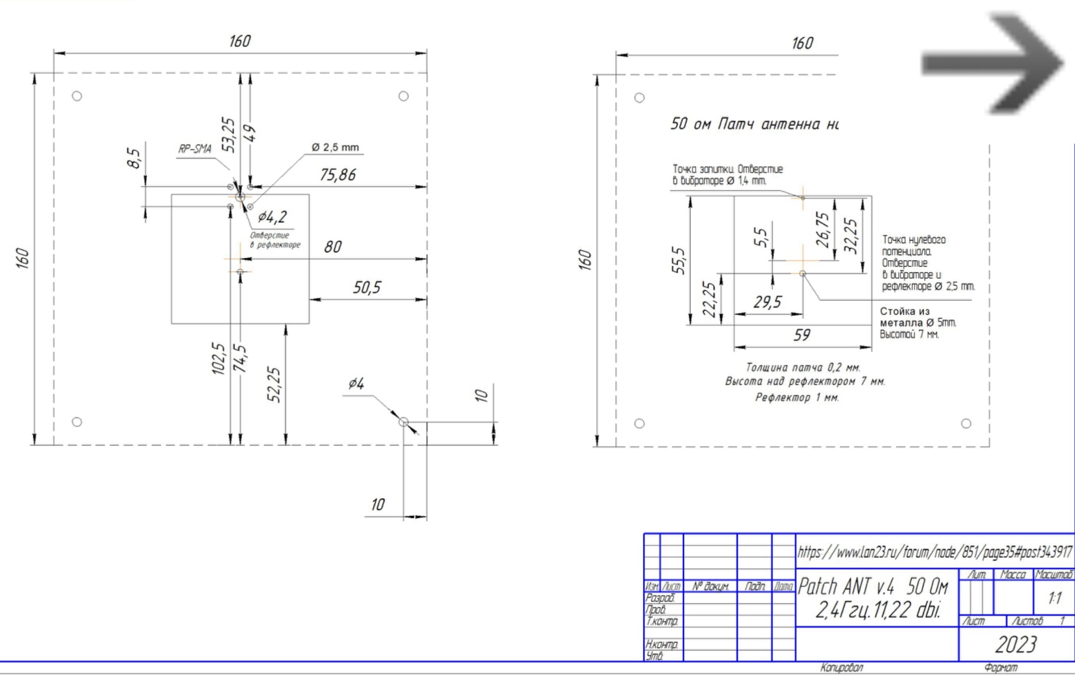
если кому интересно, чертежи того, с чего буду начинать эксперименты. Если есть в подобном опыт, прошу поделиться.

Кстати, длина кабеля имеет ли значение? Как я понимаю должна влиять, но никто про это не пишет.

Есть порядка метра тонкого коаксиала, с рч разъемами, достался откуда то, наверно применю его.

Купи NanoVNA (версию до 4ГГц), иначе всё это будет «пальцем в небо».

Ну я бы понял противовес, если бы он был припаян к элементам основных антенн и конструктивно был их элементом. А тут две такие же антенны, которые можно ориентировать как угодно, в тч и попендикулярно :frowning:

Если бы было на той же антенне - это был бы не противовес.

Выкинь и проложи кабель. Камеры такого не любят.

ну как же никто, открываешь параметры кабеля и там указывается сколько децибел затухания и на каких частотах

Вот например вариант вайфай антенн с противовесами, они имеют не только размеры, но и геометрию расположения относительно вибратора. А в моем репитере если черные провода и являются противовесвми, то без фиксированного расположения, очень странными.

В любом случае репитер гумно. Расположенные рядом кинетик и микротик на 2.4 ггц дают 50-60 мбит/с а это только 11-13 мбит/с

У меня репитер на esp32 работает быстрее

Это какой такой? Прям репитер или NAT router?

Репитер на esp32

Причем на pcb антенне. Хочу взять другую еспэшку и прицепить нормальную антенну.

Через него репитится инет для кондея на даче уже года полтора.

Главное бп поставить на 2а минимум.

Задумка. Приманка для лохов. Китайцы часто так делают, ведь больше антенн - лучше.

Например в популярном дешевом WE 1626 4 антенны, две из них - муляжи. Более того, в ДШ на радиомодуль mt7620 четко указано, что антенн две.

Значит черные провода это фэйковые антенны.

Штош. Запросил возврат.

Я делал передачу вайфайки на 5км гдето, всё готовое брал. Антенна пораболическая где-то 70см, модуль вайфая к ней, с питанием по эзернет кабелю. Если нужно найду чо как.

А на какое расстояние планируется увеличение и есть ли стены, перекрытие?

Есть лте роутер на 1 этаже, он пробиват на второй этаж прямо над, там роутер тплинк в режиме повторителя с двумя нормальными антеннами. Через стену у дальнего окна нужно поставить нечто, что берет из предыдущей точки и передает в пределах прямой видимости на примерно 100 метров в соседний дом. Возможно подойдет просто повторитель а возможно не добьет. Провода тянуть невозможно, альтернативной общей сети нет. Там я ничего сотворить не смогу, потому экспериментирую тут.

Удобнее всего плоская антенна, потому рассматриваю их. Можно конешна купить кинетики и mech построить, думаю и над этим.

100 метров - овердохуа

Два раза повторить - скорость устремится под плинтус !!!

А, так это не репитер.

Это обычный NAPT роутер. А проект этот в оригинале называется ESP32_NAT_Router.

Там просто еще одна точка доступа создается, которая натит пакеты на основную точку.

В примерах, то-ли Ардуины, то-ли ESP-IDF, есть примерчик, называется wifi_extender. Это как раз оно.