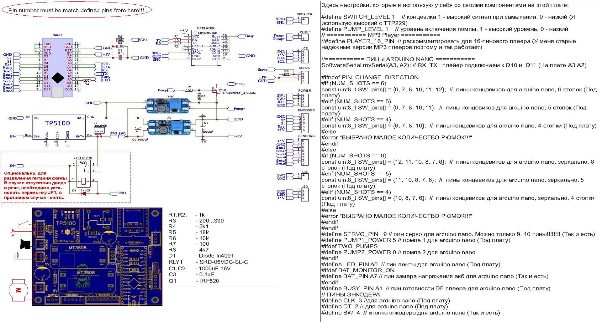
Наливатор на Arduino Nano

На ардуино нано у меня вот эта схема (печатную плату покупал), потом такую же переделывал по есп32 (выше об этом писал)

Добрый день!

Эти реле имеют очень большую индуктивность катушки и при отключении зарядки ЭДС самоиндукции пробивает ключ на модуле контроля заряда. Я пока разобрался в причине несколько модулей спалил. Лучше микро реле использовать.

Типа таких https://aliexpress.ru/item/1005008614688975.html?spm=a2g2w.orderdetail.0.0.5d524aa6EdrmDC&sku_id=12000045957985243&_ga=2.2712883.2025530320.1763443628-760935292.1717565524

Кто бы придумал диод против самоиндукции ставить ))

1 лайк

Это решение, проверенное временем и миллионами схем

Диоды тоже разные бывают. Я использую такие реле, ни разу проблем не было. Да и на китайских модулях только такие реле ставят. Впрочем, не настаиваю ))

1 лайк

Попробуй вместо 1N4001 поставить диод 1N5918, например.
У него быстродействие выше.

Еще, как вариант, поставить дополнительный обратный диод параллельно “ключу”.

а подумать? ты можешь, рассматривай в совокупности с блоком зарядки

Хочу уточнить, у Вас наливатор на 12 вольт?

Два аккумулятора по 4.2В зарядка от 12В все как на схеме.

Каким образом?

Ну-ну. Делитесь дальше… как вместо решения возникающей проблемы строгать костыли ))

1 лайк

Я устал паять TTP223 и мне не нравится варварский метод с TTP229. Купил себе MPR121 попробовал, понравилось. Вижу перспективу…

1 лайк

Еще не пробовал, только вчера вечером подключил и шайбочкой к проводочку попробовал, с пол часа стояла держит. Да и не может она не держать, там это в скетче прописывается.

Как и от вашей практики.
Вы так и не ответили:

Так каким образом? Может быть вы схему не правильно собрали?

А зачем здесь вообще нужно реле? Плата зарядника рассчитана на постоянное подключение, в том числе для защиты батареи от глубокого разряда

2 лайка

Да было бы о чём спорить ))

Да всё получилось управление по ВТ спасибо Raveh 78 https://disk.yandex.ru/d/ZAR5CNa9LlwFBQ только я менял скейч под себя питание 12.6в .два наливатора собрал все работало интернет отключал в тел тоже управлял голосом . SriTu Hobby почемуто работает без инета.Единственное не удобство нужно нажимать кнопку в программе и проговаривать команду.Я постоянно был в командеровках только вчера зарегистрировался на форуме .Очень много интересного добавилось.

2 лайка

mp3.rar — Яндекс Диск это папка мп3 для наливатора с блютузом .