Для этого есть нормальные зарядки, с контролем температуры.
Ну так с ним и было, а толку? Видимо от внутреннего КЗ не спасает.
Этот АКБ с полгода периодически до 100% не заряжался. Стоял по 24 часа на зарядке и в итоге 99%. А я не придал значения. Теперь буду сразу менять с такой ерундой.
ЗЫ: Ток заряда порядка 0.1C. Вроде бы не сильно большой (чтобы АКБ успевал еще и нагреться)?
поэтому я их держу у речки, в кустах. И то жалко если калина сгорит. Её едят кони барсуки и птицы. А жена их собирает ведрами. А я таскаю!
Кстати, спасибо за наводку. Как-то делал дистанционный выключатель света в беседке во дворе, нужно было биполярное реле на небольшую нагрузку (до 100 ватт), так чтобы не “бешенные тыщщи” нашел только NRL708A, так ради него пришлось там 12В колхозить (больше ни для чего ненужные).
Ща прикуплюсь на 5 и на 3 вольта. Шоб таких проблем больше не было.
Хотя, в даташите советуют если работаешь транзистором при питании 5В, то брать реле на 4,5В, а если три вольта, то на 2,4В. Странно, вроде там же написано, что пятивольтовое срабатывает уже от 3,75В, а трёхвольтовое – от 2.25. У транзистора напряжение насыщения К-Э не такое большое (например, у любимого 2N2222 всего 300мВ). По идее, можно работать на 5 и на 3 - не должно быть проблем. Надо с этим переспать и обдумать.
а транзисторы то зачем?
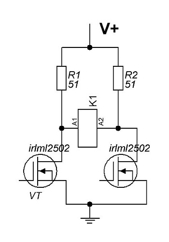
Реле поляризованное, ему надо на катушке полярность менять. Кстати, у меня в выключателе транзисторов не было, у меня поляризованным реле управляла мостовая микросхема TA7291S (просто в СВХ валялась, использовал, тем более, она изначально под индуктивную нагрузку заточена, так что никаких внешних глупостев не требует). Но так-то, проще и дешевле поставить мост из транзисторов.
а напрямую, к пинам ардуино, не вариант?
У этого NRL708A напряжение 12В, сопротивление катушки 144Ω (получается 83мА) и держать надо 50мс – многовато для пинов. Да и нагрузка индуктивная.
я про HFD4 имел ввиду)
я никогда с бистабильными поляризованными реле дело не имел, как ток самоиндукции снимать с них?
Уважаемые гуру, когда придумаете схему управления этим реле, поделитесь, пожалуйста. А то мне опять вас веселить придется. Нежданчик для меня про поляризацию. Справлюсь, конечно, но с кувырками…
это каким?
Парализованным.
Есть модификация двухкатушечная. Ей проще управлять?
какая гадость, эта ваша заливная…
я хотел обмотку прям на пины ардуины, тогда видимо никак?
Да ну нафиг - индуктивную на пины ))
а чее
, там транзисторы не из кремния??

