хиленький он там ))
40 мА обязан держать, реле 20 мА, шо не так?
А пусковой?
как он в реле считается?
*4.5?
Без понятия, но ну его нафиг ))
Так включают?
Не понимаю, у 424 2 контакта на катушку, поляризованое. А в схеме 3, как на 2 катушки. Схема с готового модуля на этом реле.
Да, с общим, с телефона не разглядел.
Смена поляризации.
Правая часть на 4 транзисторах. Управление через 2 пина, получается.
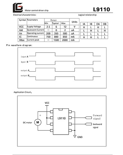
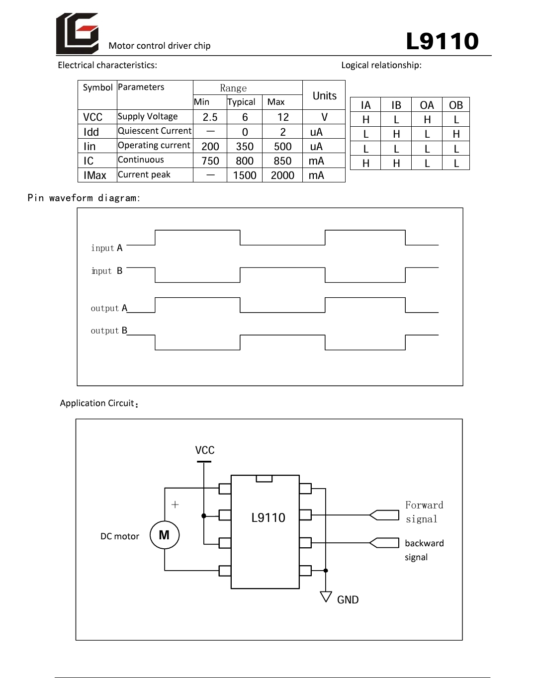
Есть подозрение, что на драйвере шагового двигателя тоже можно организовать. L9110, например.
Входы одновременно завести на питание микросхемы через 1 транзистор и диоды. Два пина МК на управление. Выход - на поляризованое реле.
Ну, с ней я ещё пока не работал, но тоже не стал бы ставить на пины. Мощность на катушке 100mw (в биполярном варианте), стало быть, если 3В, то 33мА. + индуктивность. Я бы не стал.
Кстати, я догадался почему они советуют на полвольта меньше брать, если управляется транзистором. Похоже, они имеют в виду не мост на транзисторах, а эмиттерный повторитель, а он же как раз 0,6 вольта меньше даёт, чем на него подали. Вот они и говорят бери на полвольта меньше.
Ну, в той моей поделке бистабильное было идеальным вариантом. Я делал дистанционный выключатель с пультом но очень хотелось, чтобы механический на стене тоже работал. Включил их по классической схеме проходного выключателя. Всё работает, можно включать и выключать любым способом. С обычным реле так бы не вышло. Вернее вышло бы, если бы свет никогда не вырубался. А так, после вырубания света я ведь не знаю в какое положение мне поставить реле (в идеале, в то же, что было до вырубания), а бистабильное само “в каком надо” всегда находится.
Могу поделиться схемой моего выключателя. Уже три года 24/7 во все времена года на улице включён и отлично работает. Но там у меня всё по-взрослому. Релюшкой управляет TA7291S – это микросхема от Sony, которой они движки своих магнитол крутят.
А поводу схемы, мужики, мне кажется, что мост там - излишество. Два эмиттерных повторителя (по одному на конец катушки) и по супрессору для снятия ЭДС самоиндукции. По моему за милую душу сработают. Как раз понятна становится таинственная фраза из даташита
![]()
Видимо, именно это они и имели в виду.
*10, для надежности. У таких реле индуктивный ток порядка 300мА.
Правая часть на 4 транзисторах. Управление через 2 пина, получается.
В данном включении нужно хорошо подбирать транзисторы по параметрам, иначе могут возникнуть сквозные токи…
иначе могут возникнуть сквозные токи…
В таком включении они при подобранных возникнут. Резистор ограничивающий однако нужен в цепь питания, иначе однажды случитьсая мучительно больно. Точно не с перврго раза.
поводу схемы, мужики, мне кажется, что мост там - излишество.
Меньше 20р за микросхемку драйвера, и все подобрано. Я собираюсь его включать от подачи управления таймером 555, одновременно им же шунтируя подключение одной из батарей, чтобы на момент перекидывания реле питание не пропадало.
Разве такой вариант заклинит?
Разве такой вариант заклинит?
Да, хрен его знает, я схемы на словах не понимаю – опыт не тот.
Да, хрен его знает, я схемы на словах не понимаю – опыт не тот.
Еще чуть-чуть и придется перейти от бумажек к схеморисовалкам. Кажется мне пора подрасти. Ну и детальки придут, накидаю прототип. Что-то простая релюшка вырастает по сложности чуть ли не в что-то соизмеримое по сложности с самим устройством.
Еще чуть-чуть и придется перейти …
К структурной или функциональной схеме давно пора перейти и балансу мощностей. Пока все шиворот-навыворот.
Что бы что-то правильно предлагать нужно видеть не кусок задачи, а всю ее целиком.
*10, для надежности. У таких реле индуктивный ток порядка 300мА.
я ведь куплю, проверю ![]()
Что бы что-то правильно предлагать нужно видеть не кусок задачи, а всю ее целиком.
Шоп я сам знал всю задачу целиком. В минимуме это насосик для полива по расписанию. Как бы и сейчас все в макете работает. В максимуме - до упора живучая, автономная, удаленно управляемая система. По мере погружения в тему, постепенного притока комплектующих и свободного времени неспешно двигаюсь вперед.
В минимуме это насосик для полива по расписанию.
https://www.ozon.ru/product/taymer-dlya-poliva-elektronnyy-pod-samotek-do-3-bar-fz322b-sharovyy-8-programm-1000383407/?at=28t05NLMvU3AMOYkS9ZAEwRSqJmR3Yfvz7vwEsAoRLEM&keywords=таймер+полива+на+батарейках
Не насос, почти такой же агрегат, уже 2 года поливает от двух батареек АА. У меня ещё с датчиком дождя - в дождь не поливает.



