он просто работает и делает свое дело, а надо оповещать о сдыхающей батарейке, так что не подходит!
Тут все реально просто считается.
Если взять данные графика,
на солевые смысла смотреть особенно нет, там сразу видно что все печально.
Щелочные , если усреднить, имеют примерно 3-3,5 Вт/ч , т.е. блок из 3-х батарей порядка 9-10,5 Вт/ч.
Аналогичную энергию имеет один 18650 LiitoKala и это при том, что токи в 2-3А ему, что слону дробина, в отличии от батареек.
И инфраструктура для ли-ион куда как более развита, пара каких-нибудь простеньких повербанков на 2 ли-ион, решают сразу все заморочки ТС.
В общем, солидарен с теми участниками, кто читает, что проблема ТС порождена самим же ТС.
А то: 1 комплект 3Д, 2 комплекта 3Д, бистабильные реле, драйвера и прочая муть.
Это уличный. Просто таймер с клапаном.
Домашний живет в квартире с выключенным электричеством, люди там появляются не чаще раза в месяц в летний период (все на даче).
Причем люди там не подготовленные, способные только батарейки заменить и воды долить. Времени и моральной готовности на зарядку у них нет.
Аккумуляторов, электричества и прочей фигни боятся как огня.
Простейшие решения в виде соседки с лейкой работают сейчас и не интересны (за те деньги которые тратятся на мое хобби можно нанять персональную сиделку любимому цветку пожизненно). Покупные насосики с таймером не интересны просто из принципа, по той же самой причине.
Весь проект как проба пера, учебный. Хочется задействовать широкий спектр модулей. Не стоит задача оптимизировать по минимуму. Больше поиграться.
Пока не открываю большую общую тему развития проекта, пока не взлетел минимальный функционал. Отдельные блоки: стабильное питание (в этой теме). Дозировка воды с контролем остатка, скоростью и объемом налива (отдельно). Сон-пробуждение по прерываниям часов, клавиатуры (отдельно). Оповещение отдельно, но особо не стоит внимания. Параллельно печатаю корпус. Хотел следить за влажностью почвы, но пока отговаривают ссылаясь на глючность влагомеров (бессмысленно). Как только каждый кусочек опробую, соберу все требования (согласно получившимся возможностям) вместе и где-нибудь опубликую проект в развитии.
Ага. Добыть шаговый искатель от древней телефонной станции и перещелкивать 10 комплектов батареек.
Так может совсем не нужно менять батарейки, а просто сразу взять батарею побольше на весь период работы ?
Вот такая батарейка перекачивает за раз до 600л воды и в ней еще чего-то остается.
https://aliexpress.ru/item/32813785869.html
Это просто для наглядности, что сейчас могут аккумуляторы. А то, как понимаю, эти рассказки про ватт и ампер часы плохо ассоциируются с твоей задачей.
Проще бутылку на шкаф поставить и капельницу настроить, чтобы литр в сутки накапывал. А самому на даче пивко под шашлычок все лето.
Но не интересно.
Так то у меня несколько старых автоаккумов по 60+А/ч есть. На год хватит.
человек просто хочет ездить, смотреть, все ли в порядке с квартирой)
отстаньте от него, со своими “дурацкими” идеями.
Ага, пойду чем-нибудь полезным займусь.
Причем этот человек не я. Как ни пародоксально это звучит.
Ну, вот, хоть умных мыслёв в тему подвезли!
Надо пробовать.
…а причину езды раз в неделю можно потом сформулировать.
Параллельно с3 надо поставить электролит на 1000 мкф.параллельно с2 поставить тантал 100-330 мкф.подобрать с2,R6 это ток срабатывания можно увеличить можно уменьшить .через R5 идёт управление включение или выключение преобразователя работает от 1.8 вольта
Кстати, я тут для своих нужд сделал “модуль” на основе HFD4/4.5L Безо всяких драйверных микросхем – обычный H-мост с синфазным управлением на 4-х транзисторах по 94 копейки за штуку (которые Вам советовал). Получается в разы дешевле, чем микросхема-драйвер. Если надо, могу поделиться схемой и печатной платой (последняя под DIP-детали, не работаю с smd без крайней нужды). Надо?
Отож, с удовольствием поизучаю. Плата мне не особо полезна, не освоена у меня еще технологии травления, буду на макетке делать. А вот схема да.
Там какое управление предполагается? На драйвер я рассчитывал подавать управление с двух пинов. Мне надо четко задавать в какую сторону перекидывать, триггерное управление там не подходит.
Там у меня еще на вырост к этому модулю будет доработка. Поскольку это переключатель источника питания, на момент перекидки нужно шунтировать один из источников напрямую. Чтобы и реле дотянуло, и МК не сбросился. Либо транзистором шунтировать, либо ставить емкость поддерживающую (но с ней проблема все остальное время - будет тратить электричество зазря, когда ее работа - меньше 1 секунды в месяц).
Подсказка: На плате есть расположение элементов и их соединения. Проще монтировать даже на макетной плате (для пайки).
Да, я это понимаю. Тем более, что сам c SMD не дружу, так что мне все равно будет полезно.
Мне кажется на данном ресурсе (и подобных) вообще любая опубликованная непротиворечивая (физике, самой себе и здравому смыслу) информация полезна. Не сейчас, так потомкам. Поэтому попрос “надо?” эффективно заменяется на “смотри че есть!” Я свои поделки кое где так выставляю. Здоровая (и не здоровая тоже) критика им только на пользу идет.
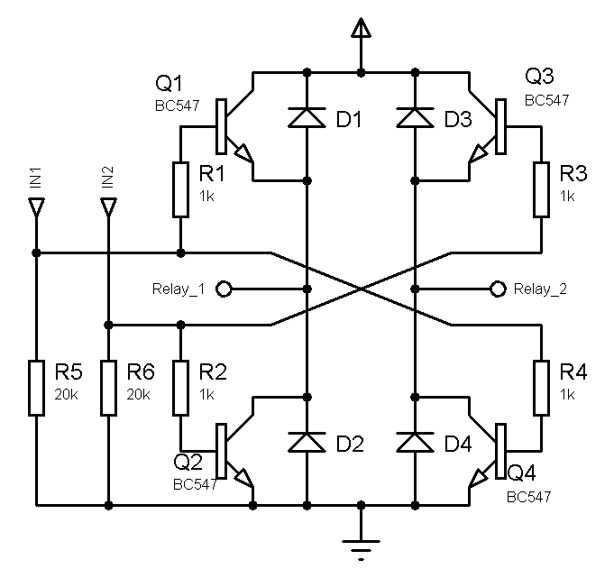
Ну, для подключения этого реле я выбрал
H-мост с управлением синфазными ключами.
Почему так? Почему не классическую схему с управлением противофазными ключами? Потому, что такая схема позволяет начисто исключить проблему сквозных токов, заплатив за это нафиг для данной задачи ненужным режимом «динамического торможения двигателя».
Здесь питание – 5В, обмотка реле подключается к Relay_1 / Relay_2, управляющие сигналы подаются на входы IN1/IN2. Постоянно оба входа должны быть в состоянии LOW. Если нужно переключить реле, на один из них подаётся импульс HIGH длительностью 15мс. При этом, если импульс подан на IN1, то ток по обмотке реле течёт от Relay_1 к Relay_2, а если подать импульс на IN2, то наоборот от Relay_2 к Relay_1.
Никогда и ни при каких обстоятельствах нельзя допускать HIGH одновременно на обоих входах. Как раз для этого служат резисторы R5 и R6 – они обеспечивают LOW на входах IN1/IN2 в тот короткий промежуток времени, когда питание уже подано, но контроллер ещё не успел сконфигурировать свои выходы.
Согласно рекомендации даташита HFD4, для напряжения питания 5В, выбираем реле HFD4/4.5-L. Из того же даташита достаём основные характеристики:
- длительность управляющего импульса: 3мс ∙ 5 = 15мс;
- сопротивление обмотки 203Ω;
- ток во время подачи импульса: 4,5В / 203Ω = 22мА
Схема крайне нетребовательна к номиналам деталей. Транзисторы можно ставить практически «какие попадутся», диоды – тоже, резисторы R1-R4 – от 0,5kΩ до 2kΩ, R5-R6 от «в 10» до «в 50» раз большие, чем R1-R4. Всё будет нормально работать.
Однако, чтобы не учить плохому, сделаю оговорку: сначала нужно тщательно рассчитать номиналы, а уж потом ставить что под рукой найдётся ![]()
Расчётные соображения
Транзисторы – ток коллектора от 40мА (это наши требуемые 22мА с хорошим запасом). Ставим самые что ни на есть рабоче-крестьянские BC547. Если найдёте дешевле – ставьте.
Диоды D1-D4 – ток от 40мА, напряжение вольт до 30-40 … опять же, самые рабоче-крестьянские 1N400x, где x – любое от 4 до 7.
Резисторы R1-R4 – у выбранных транзисторов BC547 минимальный коэффициент усиления 110. Хилл и Хоровиц советуют для режима насыщения уменьшать его в 10 раз, это будет с хорошим запасом. Берём 11. Для тока коллектора 22мА требуется ток базы 22мА / 11 = 2мА. Стало быть, максимальный допустимый резистор базы (5В – 0,6В) / 0,002 = 2,2кΩ
Вроде, всё.
Теперь про модуль
Реле HFD4/4.5-L имеет две SPDT контактные группы. Для моей задачи это было сильным излишеством. Мне нужно было просто разрывать/соединять два провода (т.е. SPST выключатель), поэтому я запараллелил контактные группы (меньше дребезжать будут) и на выход модуля вывел только два контакта, а не шесть. Ниже слева нарисована печатная плата для полного использования реле (все шесть контактов выведены на гребёнку модуля), а справа – то, что сделал я для своих нужд.
Обратите внимание, что входы у меня пописаны уже не IN1/IN2, а On/Off. Импульс на On замыкает между собой контакты Rel1 и Rel2, а импульс на Off – размыкает их.
Вот так это выглядит:
Схема и скетч для проверки модуля
При вводе в монитор порта 1 светодиод включается, при вводе 2 – гаснет. При выключении и включении питания светодиод сохраняет своё состояние, т.к. реле бистабильное.
Скетч
//
// Управляющие пины модуля реле
//
static constexpr uint8_t relayPinOn = A3;
static constexpr uint8_t relayPinOff = A4;
//
// Команды включить/выключить (не использовать 0)
//
enum class RelayCommand : int { ON = 1, OFF };
//
// Шаблон реле
//
template <const uint8_t pinOn, const uint8_t pinOff>
struct LatchingRelay {
// Инициализация
// (ни в коем случае не допускать оба HIGH)
// на модуле имеется привязка и земле 20к
LatchingRelay(void) {
digitalWrite(pinOn, LOW);
digitalWrite(pinOff, LOW);
pinMode(pinOn, OUTPUT);
pinMode(pinOff, OUTPUT);
}
// Включение и выключение через вспомогательную функцию
void On(void) { onOff(pinOn); }
void Off(void) { onOff(pinOff); }
protected:
// Вспомогательная функция для включения и выключения
void onOff(const uint8_t pin) {
digitalWrite(pin, HIGH);
delay(15);
digitalWrite(pin, LOW);
}
};
// Объявляем реле (relay)
LatchingRelay<relayPinOn, relayPinOff> relay;
void setup(void) {
Serial.begin(9600);
Serial.println("Fun begins!");
Serial.println("1 - On\r\n2 - Off");
}
void loop(void) {
const RelayCommand command = static_cast<const RelayCommand>(Serial.parseInt());
switch (command) {
case RelayCommand::ON:
Serial.println("Turning On");
relay.On();
break;
case RelayCommand::OFF:
Serial.println("Turning Off");
relay.Off();
break;
}
}
красиво)
но избыточно, по моему.




